Przejdź do głównej treści
Zamknij wyszukiwarkę Wyczyść Szukaj
Produkty w koszyku: 0. Zobacz szczegóły

Twój koszyk jest pusty

Producent: OLEO-MAC (przejdź do strony: http://www.oleomac.pl)

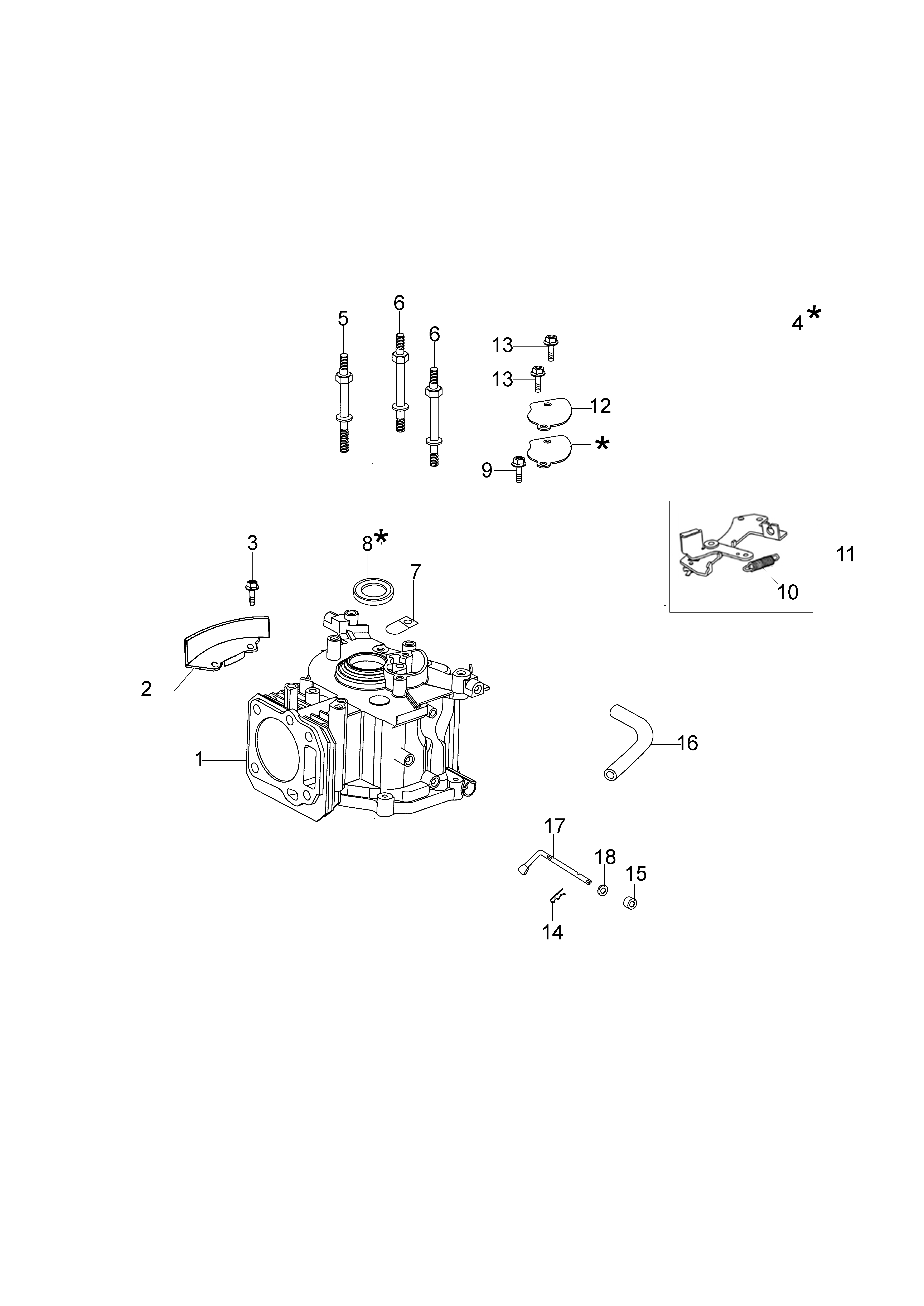
Skrzynia korbowa, uszczelniacz, hamulec magnesowy, sprężyna, zawór płytkowy, osłona zbiornika, koreki- kosiarki spalinowej Oleo- Mac G 44 PK ESSENTIAL (silnik K600- AUTOCHOKE)- schemat

Cena 1,10 zł
Dostawa od 15,00 zł - Paczkomat InPost

szt
Czas wysyłki: 2-5 dni roboczych

Opis

Części oryginalne kosiarki spalinowej

Oleo- Mac

G 44 PK ESSENTIAL

(K600- AUTOCHOKE)

 

 

Jesteśmy autoryzowanym dealerem sprzętu i części

Oleo-Mac

 

Strona w budowie

zadzwoń:

tel. 669-094-945

napisz:

rokapil@wp.pl



 

 

 

 

 

 

 

 

 

 

 

 

 

 

 

Bezpieczeństwo produktu

Producent

Emak S.p.A.

Via E. Fermi

4 - 42011 Bagnolo in Piano, Włochy

info@emak.it

Osoba odpowiedzialna na terenie UE

Emak S.p.A.

Via E. Fermi

4 - 42011 Bagnolo in Piano, Włochy

info@emak.it

Importer

Victus-Emak Sp. z o.o.

Karpia 37

61-619 Poznań, Polska

biuro@victus.pl