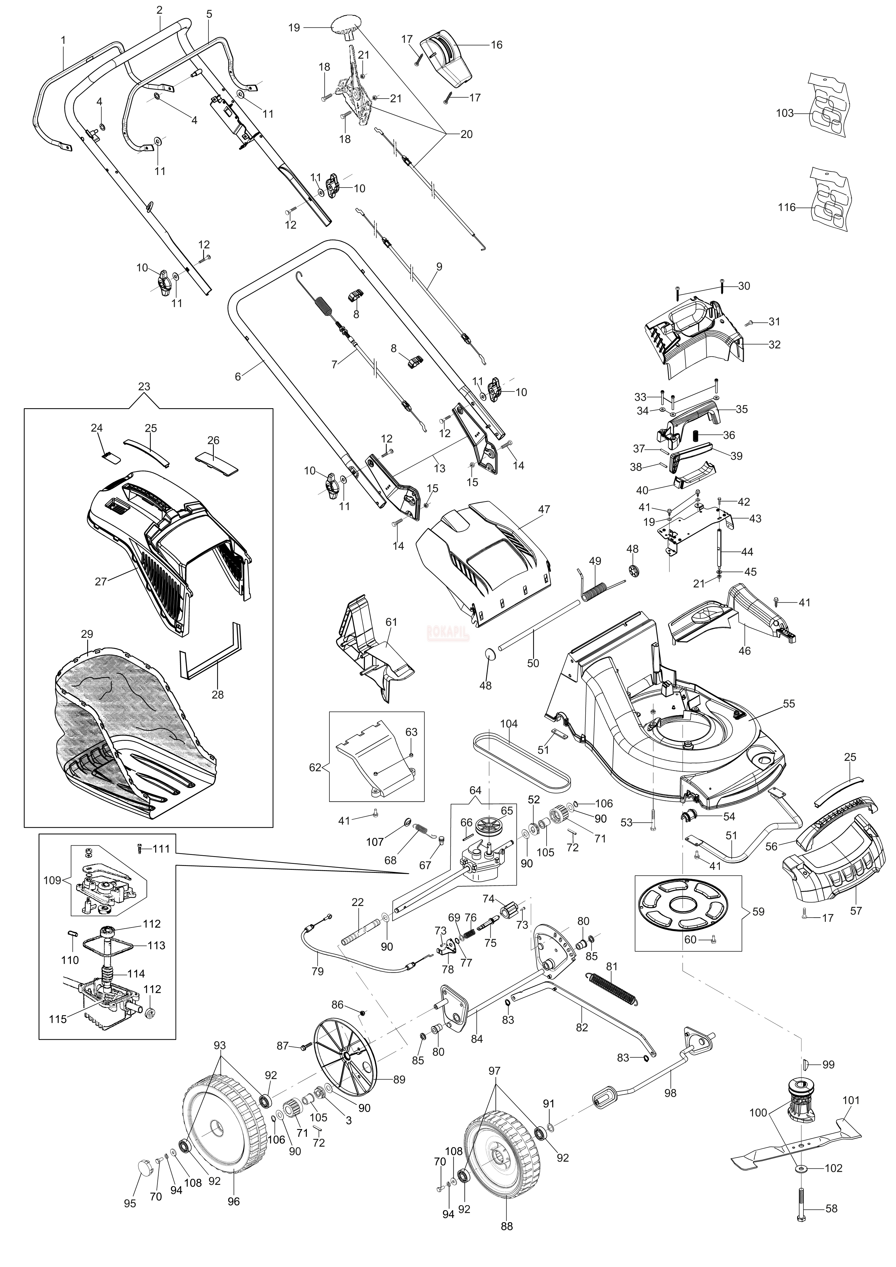
Części korpusu - nóż, piasta noża, kosz na trawę, linka gazu, linka hamulca, linka napędu, śruba, koło, pasek napędu, przekładnia napędu, uchwyt, dźwignia, podkładka- kosiarki spalinowej Oleo- Mac MAX 53 TK PRO ALU, MAX 53 TK ALUMINIUM PRO - schemat
Koszty dostawy wybranego produktu
-
Kurier InPost 17,00 zł
-
Paczkomat InPost 15,00 zł
Cena dostawy dotyczy tego produktu (w wybranym wariancie - jeśli dotyczy). Może się ona zmienić po dodaniu innych produktów do koszyka.
Kod produktu: 11356
Opis
Części oryginalne kosiarki spalinowej
Oleo- Mac
MAX 53 TK ALUMINIUM PRO
MAX 53 TK PRO ALUMINIUM
(na silniku Emak K805)

* Jeśli potrzebujesz innej części: napisz lub zadzwoń
tel. 669-094-945 , rokapil@wp.pl
Bezpieczeństwo produktu
Osoba odpowiedzialna na terenie UE
Emak S.p.A.
Via E. Fermi
4 - 42011 Bagnolo in Piano, Włochy